普通会员
登录
专家专栏
健康分类
学银在线
DICOM知识库
高级三维软件
免费压缩图片
文库
医疗信息化
行业标准
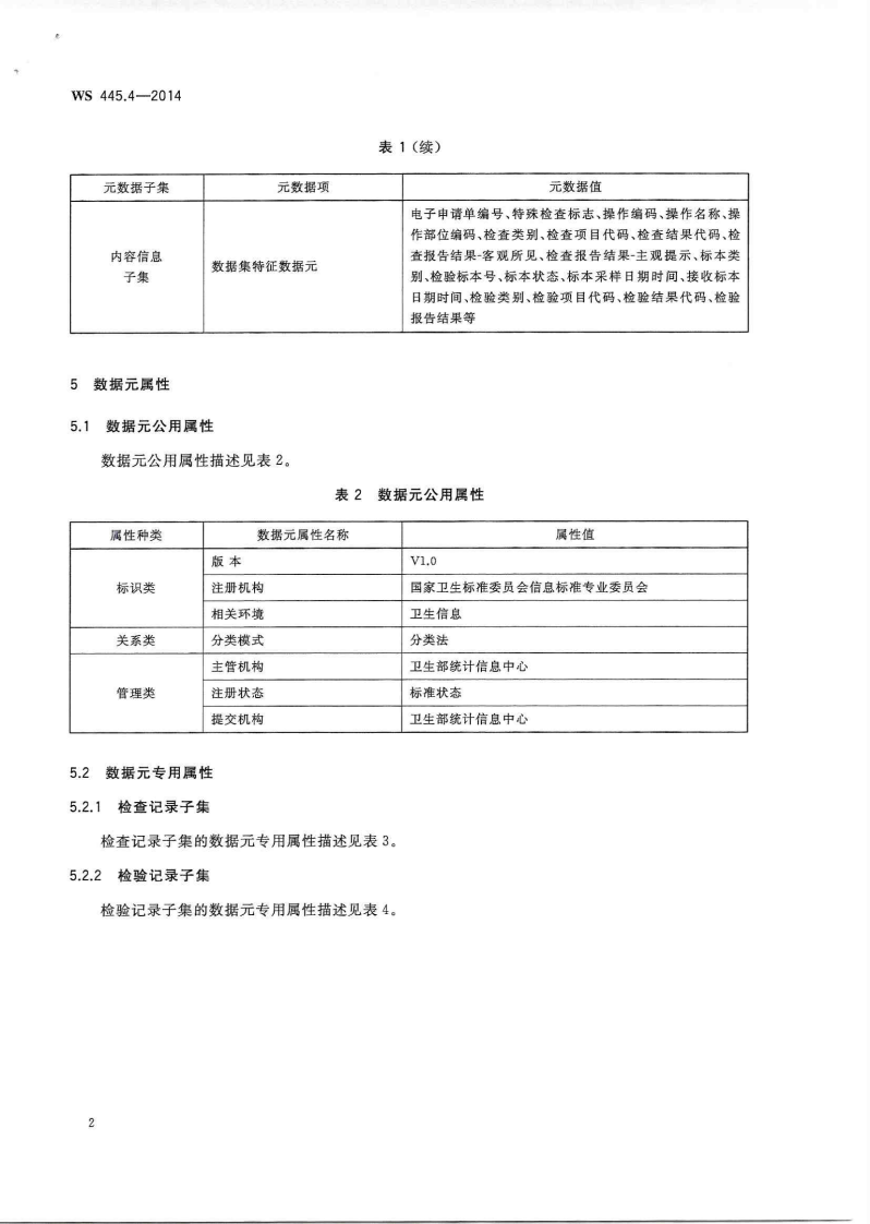
电子病历基本数据集 第4部分:检查检验记录.PDF
18页
下载1
2023-04-09
浏览493
收藏0
喜欢0
评分-
免费文档
温馨提示:当前文档最多只能预览 5 页,若文档总页数超出了 5 页,请下载原文档以浏览全部内容。
剩余13页未读,
下载浏览全部
收藏
已收藏
喜欢
已喜欢
紫苏叶
这个人很懒,什么都没留下
未认证用户
查看用户
该文档于
上传
推荐文档
最新文档
DICOM最新2024版PDF
DICOM2024最新版DOCX
肖勇-“十四五”中医药信息化规划解读.pdf
李海燕-基于ISO国际标准的中医临床术语系统.pdf
葛永彬-医疗数据法律层面合规应用和展望.pdf
国家卫生信息标准与实施评价【汤学军】.pdf
ITIL在医疗行业的应用【赵韡】.pdf
FHIR 的介绍和进展【David Hay】.pdf
医疗数据交换与知识共-朱皞罡.pdf
下午-5-药品数据标准与知识库应 (相鹏).pdf